【产品编号】MG-15CD
【产品简介】
目前除中国外,设备已向菲律宾、澳大利亚、新西兰、马来西亚、新加坡、印度尼西亚、智利、墨西哥、哥斯达黎加、巴西、阿根廷、哥伦比亚、南非、尼日利亚、沙特阿拉伯、迪拜、西班牙、意大利等国家出口了各种型号的冷水机组,制冷量从50吨、60吨、85吨、100吨、120吨、180吨、200吨到550吨不等。


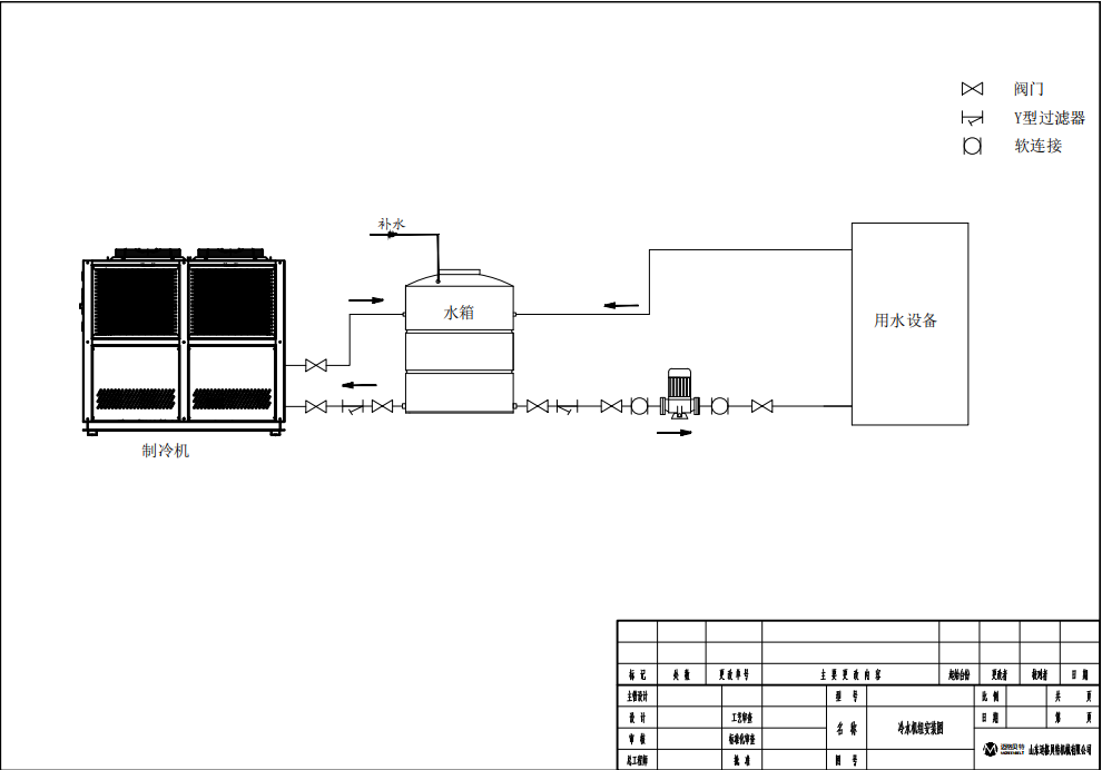
换热器

风机

水泵

翅片式冷凝机组

电器元件

压缩机

采用世界知名品牌的半封闭螺杆压缩机——德国的比泽尔和台湾的汉钟,该螺杆压缩机具有高能效比、低噪音、运行稳定的特点。

每台螺杆式压缩机均配备4档能量控制(25%-50%-75%-100%),以确保整个螺杆式冷水机组运行稳定,并保证其具有高效的制冷性能。

根据所需的制冷能力,还可以选择2台或3台螺杆式压缩机。

采用高效闭式循环壳管式换热器作为蒸发器,并使用风冷式冷凝器——铜管套铝翅片,配以大风量风冷风扇。

配备了集成式PLC控制系统,该系统具有人机界面和大型LED触摸屏面板,便于操作和故障排除。

世界知名的制冷配件,如丹佛斯品牌的热力膨胀阀、Alco干燥过滤器、施耐德电气接触器和过载继电器,将确保整个风冷螺杆式冷水机组在正常条件下运行。










0.5H响应速度
22年行业经验
100+个远销国家
24H终身维护支持

对模具是必不可少的,冷水机能精准控制模具温度,从而减少注塑周期,加速产品定型,使产品不缩水、不变形。

制药和化工生产过程中,设备会产生大量热量。冷水机可以提供恒温冷却水,给反应釜降温,带走化学反应产生的热量,以提高产品质量。

由于发酵设备的需要和大型化,必须用冷水机组提供恒定冷却水。当晶体沉淀时,主要具有热交换效率高。

冷却塔的直接冷却和冷水机冷却具有相同的效果。但在三分冷却循环中直接和间接冷却循环的稳定性和...

只用的真空镀膜依赖于基体外的自然散射,系统合作差异,工作效率低,光泽度差。现在,对于中空...

食品工业冷水机的更多场合:食品加工,食品冷冻,食品清洁,食品保鲜。

冷水机可以控制实验仪器的温度,以确保电器零部件高精度。如果是大型实验室设备,建议使用螺杆...

在制药,精细化工等生产工艺中,为了满足化学合成工艺条件的需要,制冷换热系统必不可少。

我们提供配套设备和技术支持。